ভূমিকা
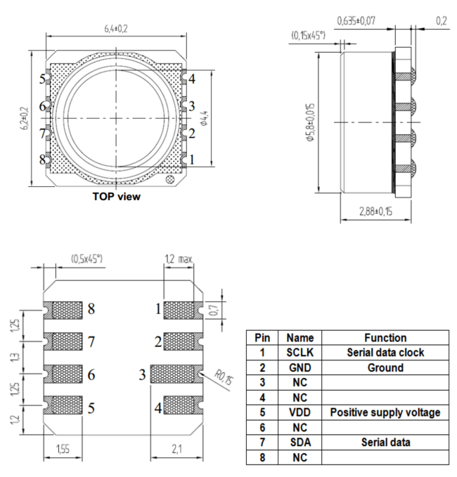
The WF5803 is a high resolution altimeter sensors with I2C bus interface. It is optimized for altimeters and variometers with an altitude resolution of 10 cm. The sensor module includes a high linearity pressure sensor and an ultra low power 24 bit ΔΣ ADC with internal factory calibrated coefficients. It provides a precise digital 24 Bit pressure and temperature value and different operation modes that allow the user to optimize for conversion speed and current consumption. A high resolution temperature output allows the implementation of an altimeter/thermometer function without any additional sensor.
The WF5803 can be interfaced to virtually any microcontroller. The communication protocol is simple, without the need of programming internal registers in the device. The gel protection and antimagnetic stainless steel cap allows the use in 100m water resistant altimeter/compass watches. This new sensor module is based on MEMS technology. The sensing principle employed leads to very low hysteresis and high stability of both pressure and temperature signal.
অ্যাপ্লিকেশন
◼ Absolute pressure sensor systems
◼ Industrial automation
◼ Barometric pressure measurement
◼ Consumer appliance
◼ Variometers
◼ Dataloggers












